第3讲 传感器的原理及其应用
一、传感器及构成 1.传感器是一种检测装置,能感受到被测量的信息,并能将检测感受到的信息按一定规律变换成为电信号或其他所需形式的信息输出,以满足信息的传输、处理、存储、显示、记录和控制等要求. 2.传感器一般由敏感元件、转换元件和转换电路三部分组成. 二、传感器的分类 传感器一般按被测量、工作原理、能量传递方式等进行分类. 三、两种重要的传感器 1.温度传感器:一种将温度变化转换成电学量变化的装置.热敏电阻是利用半导体材料的阻值随温度的变化而变化的特性实现温度测量的. 2.光电传感器:一种将光学量变化转换成电学量变化的传感器,就是光电传感器在光照作用下,其导电性能发生变化,如光敏电阻、光电池和光敏晶体管等.
图1 答案 由于酒精蒸发,热敏电阻RT温度降低,电阻值增大,指针将向左偏;用吹风机将热风吹向热敏电阻,热敏电阻RT温度升高,电阻值减小,指针将向右偏.
1.(多选)传感器担负着信息采集的任务,它可以( ) A.将力学量(如形变量)转变成电学量 B.将热学量转变成电学量 C.将电学量转变成光学量 D.将电学量转变成力学量 答案 AB 2.如图2所示,是电容式话筒的示意图,它是利用电容制成的传感器,话筒的振动膜前面有薄薄的金属涂层,膜后距膜几十微米处有一金属板,振动膜上的金属涂层和这个金属板构成电容器的两极.在两极间加一电压U,人对着话筒说话时,振动膜前后振动,从而使声音信号被话筒转化为电信号,其中导致电容变化的原因是电容器两板间的( )
图2 A.距离变化 B.正对面积变化 C.电介质变化 D.电压变化 答案 A 3.有一些星级宾馆的洗手间装有自动干手机,洗手后将湿手靠近,机内的传感器就开通电热器加热,有热空气从机内喷出,将湿手烘干,手靠近干手机能使传感器工作,是因为( ) A.改变湿度 B.改变温度 C.改变磁场 D.改变电容 答案 D 4.全自动洗衣机设有多段式水位自动感应装置,该水位自动感应装置采用的传感器是( ) A.温度传感器 B.压力传感器 C.生物传感器 D.红外线传感器 答案 B
命题点一 温度传感器及其应用 热敏电阻用半导体材料制成,按热敏电阻阻值随温度变化而变化的规律,热敏电阻可分为正温度系数的热敏电阻和负温度系数的热敏电阻.正温度系数的热敏电阻随温度升高电阻增大;负温度系数的热敏电阻(如氧化锰热敏电阻)随温度升高电阻减小.
图3 (1)为了通过测量得到图示的I-U关系的完整曲线,在图4甲、乙两个电路中应选择的是图________;简要说明理由:______________________________________________. (电源电动势为9 V,内阻不计,滑动变阻器的阻值为0~100 Ω)
图4 (2)在图丙所示电路中,电源电压恒为9 V,理想电流表读数为70 mA,定值电阻R1=250 Ω.由热敏电阻的I-U关系曲线可知,热敏电阻两端的电压为________V;电阻R2的阻值为________Ω. (3)举出一个可以应用热敏电阻的例子:______________________________________. 答案 (1)甲 见解析 (2)5.2 111.8 (3)热敏温度计(提出其他实例,只要合理均对) 解析 (1)应选择图甲,原因是图甲所示电路电压可从0调到所需电压,调节范围较大. (2)根据欧姆定律可得 I1== A=0.036 A 所以I2=I-I1=0.07 A-0.036 A=0.034 A. 由热敏电阻的I-U关系曲线可知, 当I=0.034 A=34 mA时,U≈5.2 V 所以R2== Ω≈111.8 Ω.
1.如图5所示是观察电阻R的阻值随温度变化情况的示意图,现在把杯中的水由冷水变为热水,关于欧姆表的读数变化情况正确的是( )
图5 A.如果R为金属热电阻,读数变大,且变化非常明显 B.如果R为金属热电阻,读数变小,且变化不明显 C.如果R为热敏电阻(用半导体材料制作),读数变化非常明显 D.如果R为热敏电阻(用半导体材料制作),读数变化不明显 答案 C 2.利用负温度系数热敏电阻制作的热传感器,一般体积很小,可以用来测量很小范围内的温度变化,反应快,而且精确度高. (1)如果将负温度系数热敏电阻与电源、电流表和其他元件串联成一个电路,其他因素不变,只要热敏电阻所处区域的温度降低,电路中电流将变______(填“大”或“小”). (2)上述电路中,我们将电流表中的电流刻度换成相应的温度刻度,就能直接显示出热敏电阻附近的温度.如果刻度盘正中的温度为20 ℃(如图6甲所示),则25 ℃的刻度应在20 ℃的刻度的______(填“左”或“右”)侧.
图6 (3)为了将热敏电阻放置在某蔬菜大棚内检测大棚内温度变化,请用图乙中的器材(可增加元器件)设计一个电路. 答案 (1)小 (2)右 (3)见解析图 解析 (1)因为负温度系数热敏电阻温度降低时,电阻增大.故电路中电流会减小. (2)由(1)的分析知,温度越高,电流越大,25 ℃的刻度应对应较大电流,故在20 ℃的刻度的右侧. (3)如图所示.
命题点二 光电传感器及其应用 光电传感器是一种将光学量变化转换为电学量变化的传感器.光敏电阻一般由半导体材料制成,特点是光照越强,电阻越小.
图7 A.电压表的示数减小 B.R2中电流减小 C.小灯泡的功率增大 D.电路的路端电压增大 答案 BC 解析 当入射光强度增大时,R3阻值减小,外电路电阻随R3的减小而减小,R1两端电压因干路电流的增大而增大,从而电压表的示数增大,同时内电压增大,故电路的路端电压减小,A、D项均错误.由路端电压减小,而R1两端电压增大知,R2两端电压必减小,则R2中电流减小,故B项正确.结合干路电流增大知流过小灯泡的电流必增大,故小灯泡的功率增大,C项正确.
3.(多选)如图8所示电路中,电源电动势为E,内阻为r,RT为负温度系数热敏电阻,RG为光敏电阻,闭合开关后,小灯泡L正常发光,由于环境改变(光照或温度),发现小灯泡亮度变暗,则引起小灯泡变暗的原因可能是( )
图8 A.温度不变,光照增强 B.温度升高,光照不变 C.温度降低,光照增强 D.温度升高,光照减弱 答案 AC 4.如图9所示,R3是光敏电阻(光照增强时电阻变小),当开关S闭合后,在没有光照射时,a、b两点等电势,当用光照射电阻R3时,则( )
图9 A.a点电势高于b点电势 B.a点电势低于b点电势 C.a点电势等于b点电势 D.a点电势和b点电势的大小无法比较 答案 A 命题点三 其他传感器及其应用
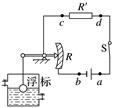
图10 答案 见解析 解析 (1)把电压表接在b、c之间,油量增加时,R减小,电压表的示数减小;油量减少时,R增大,电压表的示数增大. (2)把电压表接在c、d之间,油量增加时,R减小,电路中电流增大,则R′两端的电压增大,电压表的示数增大,同理,油量减少时,电压表的示数减小.
5.电容式传感器是用来将各种非电信号转变为电信号的装置,由于电容器的电容C取决于极板正对面积S、极板间距离d以及极板间的电介质这几个因素,当某一物理量发生变化时就能引起上述某个因素的变化,从而又可推出另一物理量的值.如图11所示是四种电容式传感器的示意图,关于这四种传感器的作用,下列说法不正确的是( )
图11 A.甲图的传感器可以用来测量角度 B.乙图的传感器可以用来测量液面高度 C.丙图的传感器可以用来测量压力 D.丁图的传感器可以用来测量速度 答案 D 解析 甲图角度变化能导致极板正对面积变化;乙图液面高度变化能导致极板正对面积变化;丙图F变化能导致极板间距变化;丁图中位置变化导致电介质变化.所以,甲、乙、丙、丁分别是测角度、液面高度、压力、位移的元件.故选D. 6.用遥控器调换电视机频道的过程,实际上就是传感器把光信号转化为电信号的过程.下列属于这类传感器的是( ) A.红外报警装置 B.走廊照明灯的声控开关 C.自动洗衣机中的压力传感装置 D.电饭煲中控制加热和保温的温控器 答案 A 解析 遥控器是利用红外线传输信号的,故A项正确. 7.(多选)如图12所示是利用硫化镉制成的光敏电阻自动计数器的示意图,其中A是发光仪器,B是光敏电阻(光照增强时电阻变小),下列说法中正确的是( )
图12 A.当传送带上没有物品挡住由A射向B的光信号时,光敏电阻的阻值变小,电压表读数变小 B.当传送带上没有物品挡住由A射向B的光信号时,光敏电阻的阻值变大,电压表读数变大 C.当传送带上有物品挡住由A射向B的光信号时,光敏电阻的阻值变小,电压表读数变小 D.当传送带上有物品挡住由A射向B的光信号时,光敏电阻的阻值变大,电压表读数变大 答案 AD 命题点四 传感器与电学实验的结合
在室温下对系统进行调节.已知U约为18 V,Ic约为10 mA;流过报警器的电流超过20 mA时,报警器可能损坏;该热敏电阻的阻值随温度升高而减小,在60 ℃时阻值为650.0 Ω. (1)在图13中完成待调节的报警系统原理电路图的连线.
图13 (2)电路中应选用滑动变阻器________(填“R1”或“R2”). (3)按照下列步骤调节此报警系统: ①电路接通前,需将电阻箱调到一固定的阻值,根据实验要求,这一阻值为________Ω;滑动变阻器的滑片位置于______(填“a”或“b”)端附近,不能置于另一端的原因是________________________________. ②将开关向______(填“c”或“d”)端闭合,缓慢移动滑动变阻器的滑片,直至________. (4)保持滑动变阻器滑片的位置不变,将开关向另一端闭合,报警系统即可正常使用. 答案 (1)见解析图 (2)R2 (3)①650.0 b 接通电源后,流过报警器的电流会超过20 mA,报警器可能损坏 ②c 报警器开始报警 解析 (1)先用电阻箱替代热敏电阻,连接成闭合回路进行调试.电路图连接如图所示.
(2)当电路中电流Ic=10 mA时,根据闭合电路欧姆定律有Ic=,解得R总=1 800 Ω,此时热敏电阻的阻值为650 Ω,则滑动变阻器的阻值为1 150 Ω,所以滑动变阻器选R2. (3)①当热敏电阻阻值小于650 Ω时,报警器就会报警,用电阻箱替代热敏电阻进行调节,应把电阻箱的阻值调到650 Ω.若接通电源后电路中的电流过大(超过20 mA),报警器就会损坏,电流越小越安全,所以为了电路安全,闭合开关前滑片应置于b端. ②用电阻箱替代热敏电阻进行调试,应将开关向c端闭合,开关闭合后要减小电路中的电阻直至报警器报警.
8.如图14所示装置可以用来测量硬弹簧(即劲度系数较大的弹簧)的劲度系数k.电源的电动势为E,内阻可忽略不计;滑动变阻器全长为L,重力加速度为g.
图14 (1)写出m、U与k之间所满足的关系式. (2)已知E=1.50 V,L=12.0 cm,g取9.80 m/s2.测量结果如下表:
①在图15中给出的坐标纸上利用表中数据描出m-U直线.
图15 ②m-U直线的斜率为________kg/V(结果保留三位有效数字). ③弹簧的劲度系数k=________N/m(结果保留三位有效数字). 答案 (1)m=U (2)①见解析图 ②10.0 ③1.23×103 解析 (1)设放置质量为m的重物时弹簧的压缩量为x,则有mg=kx又U=E 解得m=U. (2)①用描点法作图,作出的图象如图所示.
②选取(0,0)、(0.90,9)两点, 则斜率为= kg/V=10.0 kg/V. ③因m=U,故=, k=·=10.0×N/m≈1.23×103 N/m. 9.为了节能和环保,一些公共场所使用光控开关控制照明系统.光控开关可采用光敏电阻来控制,光敏电阻是阻值随着光的照度而发生变化的元件(照度可以反映光的强弱,光越强照度越大,照度单位为lx).某光敏电阻RP在不同照度下的阻值如下表:
(1)根据表中数据,请在图16坐标系中描绘出阻值随照度变化的曲线,并说明阻值随照度变化的特点.
图16 (2)如图17所示当1、2两端所加电压上升至2 V时,控制开关自动启动照明系统.请利用下列器材设计一个简单电路,给1、2两端提供电压,要求当天色渐暗照度降低至1.0 lx时启动照明系统,在虚线框内完成电路原理图.(不考虑控制开关对所设计电路的影响)
图17 提供的器材如下:光敏电阻RP(符号 答案 见解析 解析 (1)光敏电阻的阻值随照度变化的曲线如图甲所示,阻值随照度变化的特点:光敏电阻的阻值随照度的增大呈非线性减小;(2)电源电动势为3 V,当光敏电阻阻值为20 kΩ时,其两端电压为2 V,则U=·E,解得R1=10 kΩ,实验电路如图乙所示.
|

























