|
2018年普通高等学校招生全国统一考试 理科综合能力测试物理(I卷) 二、选择题:本题共8小题,每小题6分。在每小题给出的四个选项中,第14~18题只有一项符合题目要求,第19~21题有多项符合题目要求。全部选对的得6分,选对但不全的得3分,有选错的得0分。 14.高铁列车在启动阶段的运动可看作初速度为零的均加速直线运动,在启动阶段列车的动能 A.与它所经历的时间成正比 B.与它的位移成正比 C.与它的速度成正比 D.与它的动量成正比 15.如图,轻弹簧的下端固定在水平桌面上,上端放有物块P,系统处于静止状态,现用一竖直向上的力F作用在P上,使其向上做匀加速直线运动,以x表示P离开静止位置的位移,在弹簧恢复原长前,下列表示F和x之间关系的图像可能正确的是
A.
C. 16.如图,三个固定的带电小球a、b和c,相互间的距离分别为ab=5 cm,bc=3 cm,ca=4 cm。小球c所受库仑力的合力的方向平衡于a、b的连线。设小球a、b所带电荷量的比值的绝对值为k,则
A.a、b的电荷同号,
C.a、b的电荷同号,
A.
C. 18.如图,abc是竖直面内的光滑固定轨道,ab水平,长度为2R:bc是半径为R的四分之一的圆弧,与ab相切于b点。一质量为m的小球。始终受到与重力大小相等的水平外力的作用,自a点处从静止开始向右运动,重力加速度大小为g。小球从a点开始运动到其他轨迹最高点,机械能的增量为
B.4mgR C.5mgR D.6mgR 19.如图,两个线圈绕在同一根铁芯上,其中一线圈通过开关与电源连接,另一线圈与远处沿南北方向水平放置在纸面内的直导线连接成回路。将一小磁针悬挂在直导线正上方,开关未闭合时小磁针处于静止状态。下列说法正确的是
A.开关闭合后的瞬间,小磁针的N极朝垂直纸面向里的方向转动 B.开关闭合并保持一段时间后,小磁针的N极指向垂直纸面向里的方向 C.开关闭合并保持一段时间后,小磁针的N极指向垂直纸面向外的方向 D.开关闭合并保持一段时间再断开后的瞬间,小磁针的N极朝垂直纸面向外的方向转动 20.2017年,人类第一次直接探测到来自双中子星合并的引力波。根据科学家们复原的过程,在两颗中子星合并前约100 s时,它们相距约400 km,绕二者连线上的某点每秒转动12圈,将两颗中子星都看作是质量均匀分布的球体,由这些数据、万有引力常量并利用牛顿力学知识,可以估算出这一时刻两颗中子星 A.质量之积 B.质量之和 C.速率之和 D.各自的自转角速度 21.图中虚线a、b、c、d、f代表匀强电场内间距相等的一组等势面,已知平面b上的电势为2 V。一电子经过a时的动能为10 eV,从a到d的过程中克服电场力所做的功为6 eV。下列说法正确的是
B.该电子可能到达不了平面f C.该电子经过平面d时,其电势能为4 eV D.该电子经过平面b时的速率是经过d时的2倍 三、非选择题:共174分,第22~32题为必考题,每个试题考生都必须作答。第33~38题为选考题,考生根据要求作答。 (一)必考题:共129分。 22.(5分)如图(a),一弹簧上端固定在支架顶端,下端悬挂一托盘:一标尺由游标和主尺构成,主尺竖直固定在弹簧左边;托盘上方固定有一能与游标刻度线准确对齐的装置,简化为图中的指针。现要测量图(a)中弹簧的劲度系数,当托盘内没有砝码时,移动游标,使其零刻度线对准指针,此时标尺读数为1.950 cm;当托盘内放有质量为0.100 kg的砝码时,移动游标,再次使其零刻度线对准指针,标尺示数如图(b)所示,其读数为_______cm。当地的重力加速度大小为9.80 m/s2,此弹簧的劲度系数为________N/m(保留3位有效数字)。
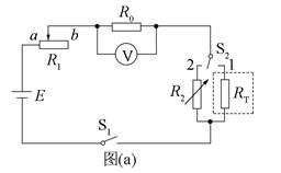
23.(10分)某实验小组利用如图(a)所示的电路探究在25℃~80℃范围内某热敏电阻的温度特性,所用器材有:置于温控室(图中虚线区域)中的热敏电阻RT,其标称值(25℃时的阻值)为900.0 Ω:电源E(6V,内阻可忽略):电压表
实验时,先按图(a)连接好电路,再将温控室的温度t升至80.0℃,将S2与1端接通,闭合S1,调节R1的滑片位置,使电压表读数为某一值U0:保持R1的滑片位置不变,将R2置于最大值,将S2与2端接通,调节R2,使电压表读数仍为U0:断开S1,记下此时R2的读数,逐步降低温控室的温度t,得到相应温度下R2的阻值,直至温度降到25.0°C,实验得到的R2-t数据见下表。
回答下列问题: (1)在闭合S1前,图(a)中R1的滑片应移动到 (填“a”或“b”)端; (2)在图(b)的坐标纸上补齐数据表中所给数据点,并做出R2-t曲线:
(3)由图(b)可得到R1,在25℃-80°C范围内的温度特性,当t=44.0℃时,可得R1= Ω; (4)将Rt握于手心,手心温度下R2的相应读数如图(c)所示,该读数为 Ω,则手心温度为 ℃。 24.(12分)一质量为m的烟花弹获得动能E后,从地面竖直升空,当烟花弹上升的速度为零时,弹中火药爆炸将烟花弹炸为质量相等的两部分,两部分获得的动能之和也为E,且均沿竖直方向运动。爆炸时间极短,重力加速度大小为g,不计空气阻力和火药的质量,求 (1)烟花弹从地面开始上升到弹中火药爆炸所经过的时间; (2)爆炸后烟花弹向上运动的部分距地面的最大高度
25.(20分)如图,在y>0的区域存在方向沿y轴负方向的匀强电场,场强大小为E,在y<0的区域存在方向垂直于xOy平面向外的匀强磁场。一个氕核11H和一个氘核21H先后从y轴上y=h点以相同的动能射出,速度方向沿x轴正方向。已知11H进入磁场时,速度方向与x轴正方向的夹角为60°,并从坐标原点O处第一次射出磁场。11H的质量为m,电荷量为q不计重力。求
(2)磁场的磁感应强度大小 (3)12H第一次离开磁场的位置到原点O的距离
(二)选考题:共45分。请考生从2道物理题、2道化学题、2道生物题中每科任选一题作答。如果多做,则每学科按所做的第一题计分。 33.[物理—选修3-3](15分) (1)(5分)如图,一定质量的理想气体从状态a开始,经历过程①、②、③、④到达状态e,对此气体,下列说法正确的是 (选对1个得2分,选对2个得4分,选对3个得5分:每选错1个扣3分,最低得分为0分)。
B.过程②中气体对外界做正功 C.过程④中气体从外界吸收了热量 D.状态c、d的内能相等 E.状态d的压强比状态b的压强小
(2)(10分)如图,容积为V的汽缸由导热材料制成,面积为S的活塞将汽缸分成容积相等的上下两部分,汽缸上部通过细管与装有某种液体的容器相连,细管上有一阀门K。开始时,K关闭,汽缸内上下两部分气体的压强均为p0, 现将K打开,容器内的液体缓慢地流入汽缸,当流入的液体体积为
34.[物理一选修3-4)(15分) (1)(5分)如图,△ABC为一玻璃三棱镜的横截面,∠A=30°,一束红光垂直AB边射入,从AC边上的D点射出,其折射角为60°,则玻璃对红光的折射率为_____。若改用蓝光沿同一路径入射,则光线在D点射出时的折射射角______(“小于”“等于”或“大于”)60°。
(2)(10分)一列简谐横波在t= (i)波速及波的传播方向; (ii)质点Q的平衡位置的x坐标。
2018年普通高等学校招生全国统一考试 理科综合参考答案 14.B 15.A 16.D 17.B 18.C 19.AD 20.BC 21.AB 22.(5分)3.775 53.7 23.(10分)(1)b (2)如图所示 (3)450 (4)620.0 33.0
24.(1)设烟花弹上升的初速度为v0,由题给条件有
设烟花弹从地面开始上升到火药爆炸所用的时间为t,由运动学公式有
联立①②式得
(2)设爆炸时烟花弹距地面的高度为h1,由机械能守恒定律有 E=mgh1④ 火药爆炸后,烟花弹上、下两部分均沿竖直方向运动,设炸后瞬间其速度分别为v1和v2。由题给条件和动量守恒定律有
由⑥式知,烟花弹两部分的速度方向相反,向上运动部分做竖直上抛运动。设爆炸后烟花弹上部分继续上升的高度为h2,由机械能守恒定律有
联立④⑤⑥⑦式得,烟花弹上部分距地面的最大高度为
25.(1)
由题给条件,
联立以上各式得
(2)
设
设磁感应强度大小为B,
由几何关系得
联立以上各式得
(3)设
由牛顿第二定律有
设
联立以上各式得
设
所以出射点在原点左侧。设
联立④⑧⑯⑰⑱式得,
33.(1)BDE (2)设活塞再次平衡后,活塞上方气体的体积为V1,压强为p1;下方气体的体积为V2,压强为p2,在活塞下移的过程中,活塞上下方气体的温度均保持不变。由玻意耳定律得
由已知条件得
设活塞上方液体的质量为m,由力的平衡条件得
联立以上各式得
34.(1) (2)(i)由图(a)可以看出,该波的波长为
由图(b)可以看出,周期为 T=2 s② 波速为
由图(b)知,当
(ii)设质点P、Q平衡位置的x坐标分别为xP、xQ。由图(a)知,x=0处
由图(b)知,在t=0时Q点处于平衡位置,经
由④⑤式得,质点Q的平衡位置的x坐标为 xQ=9 cm⑥ 35.(15分) (1)D C (2)Li+核电荷数较大 (3)正四面体 sp3 AB (4)520 498 2908
(5) |


B
D















